
您當前的位置:首頁 / 產品中心 / 不銹鋼球閥 / Q71薄型不銹鋼球閥
產品展示
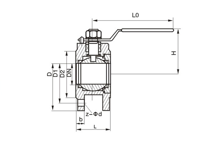
Q71薄型不銹鋼球閥具有結構緊湊、體積小、重量輕、 密封性能好、啟閉靈活而保溫對夾連接球閥良好的保溫保冷特性既能防止管路中粘稠介質凝固,又能降低管路中介質熱量的損失。對夾球閥可裝上相應的電動及氣動裝置以實現遙控或自動控制。適用于石油、化工、冶金、制藥、食品等各類系統中。應用規范公稱壓力:1.6-2.5MPa 適用溫度范圍:-20~232℃-350℃ 適用介質:水、油品、氣體等。
產品詳情


上一條:Q45F三通不銹鋼球閥
下一條:不銹鋼高平臺球閥
相關信息
在線留言